TESCAN CLARA CRYO
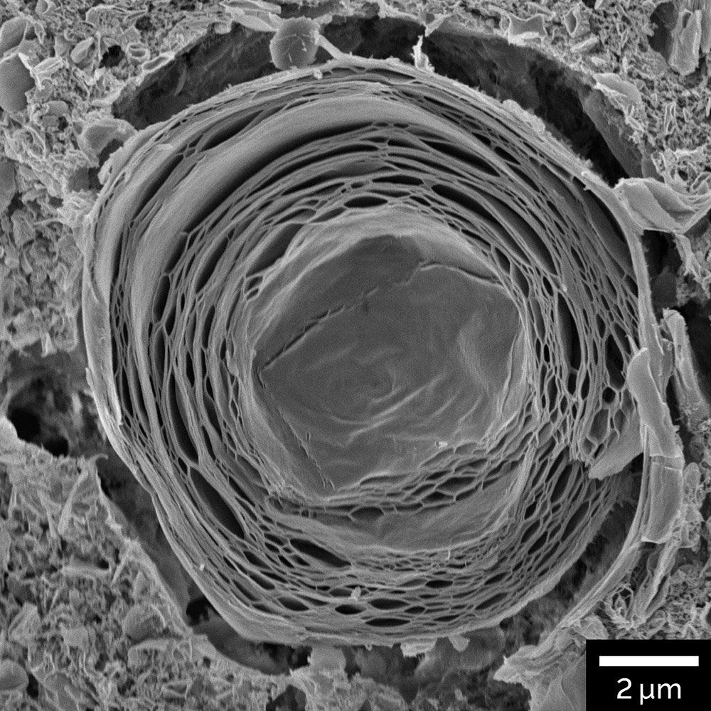
- High-resolution and high-contrast imaging of nextgen materials (e.g. catalyst structures, nanotubes, nanoparticles and other nanoscale structures).
- Excellent platform suitable for SEM/STEM metrology at sub-nanometer scale.
- Fast setup of the electron beam – optimal imaging conditions are guaranteed by the In-Flight Beam Tracing™.
- Multi-detector system TriBE™ and TriSE™ for sample nanocharacterization.
- Intuitive software modular platform designed for effortless operation regardless users’ skill level
See more in Application Examples SEMICONDUCTORS | MATERIALS SCIENCE | LIFE SCIENCES




